Home / Products / Mechanical seals / Elastomer bellow seals / Series Safag
Series Safag
APPLICATIONS
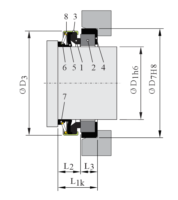
| Item | Description |
| 1. | Rotary seal ring |
| 2. | Stationary seat |
| 3. | Secondary seat |
| 4. | Ruber bellows |
| 5. | Spring |
| 6. | Spring Collar |
| 7. | Ring |
| 8. | Spring collar |
| 9. | Secondary seal |
| LIMITING FACTORS |
| D1= 14… 80 mm |
| p1= 10 bar |
| t= -40°… 204°C |
| Vg= 10 m/s |
| pV= 90 bar m/s |
Features
Elastomer bellow
Unbalanced mechanical seal
Independent of the shaf t rotation
Materials
Seal face: Carbon, SiC
Stationary seal: SiC, TC
Secondary seal: NBR, EPDM, FKM, FEP
Spring: 1.4310 (301)
Metal parts: 1.4301 (304)
Oprtional materials on request
If you have any questions or concerns about the MECHANICAL SEALS, please feel free to call or send us a message.


